中國具有強大研發生產實力的鋁板廠家之一
23年專注鋁單板幕墻裝飾材料研發生產
沖孔氟碳鋁單板

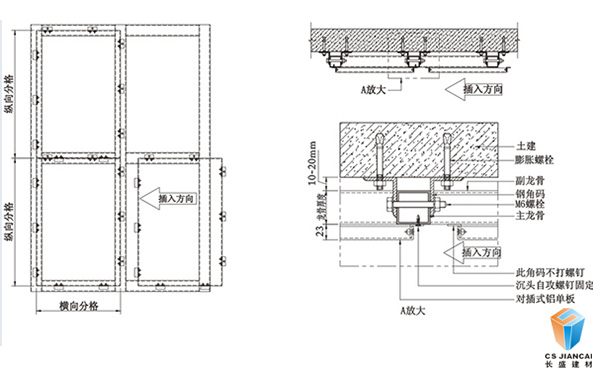
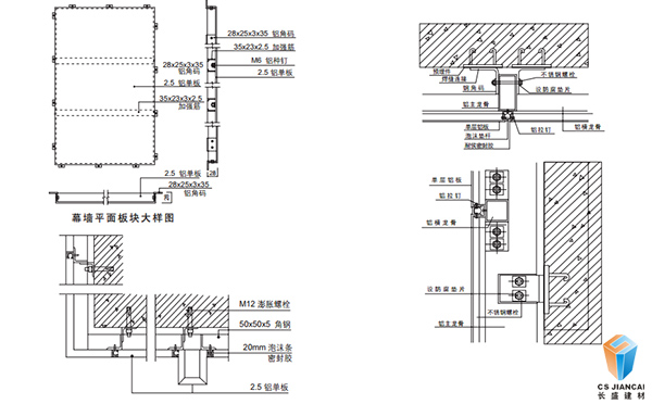
采用先進的數控沖孔設備激光雕刻穿孔,在鋁單板的表面上鉆成各種形狀的孔洞,滿足客戶對鋁板裝飾的時尚個性追求。在生產制造沖孔鋁單板之前經過多個部的設計要求門工作配合。包括設計圖紙的落實,產品詳情的落實(沖孔鋁單板規格、平方數、厚度、造型、沖孔/穿孔率)、生產進度、物流配送安裝等才能達到實際使用場所不同。大小疏密的孔形變換搭配使鋁單板板面產生生動感,種類多樣。采用進口氟碳原料進行噴涂,鋁板具有極強的耐候性和抗腐蝕性、抗紅外線,大量應用于室外各種幕墻。顏色、孔型、沖孔率等的設計可按需定制,滿足客戶的個性化需求。安裝維護簡便靈活,低安裝和維護成本。




















1、 重量輕、鋼性好、強度3.0mm厚鋁板每平方板重8KG,抗拉強度100-280n/mm2
2、耐候性和耐腐蝕、抗紫外線。采用kynar-500\hylur500為其料的pvdf氟碳漆可達30年不褪色。
3、工藝性好。采用先加工后噴涂工藝,鋁板可加工成平面、弧形和球面等各種復雜幾何形狀。
4、涂層均勻、色彩多樣。先進靜電噴涂技術使得油漆與鋁板間附著均勻一致,顏色多樣,選擇空間大。
5、不易玷污,便于清潔保養。氟碳涂膜的非粘著性,使表面很難附著污染物,更具有良好的向潔性。
6、安裝施工方便快捷,低安裝和維護成本。鋁板在工廠成型,施工現不需裁切,固定在架上即可。
7、可再回收利用,有利環保。鋁板可100%回收,不同于玻璃,石材,陶瓷,鋁塑板等裝飾材料,回收價值高。
| 最新沖孔氟鋁單板報價: | ![]() |



1、因我司產品分常規產品及工程設計定制產品,采購前請務必聯系客服確定產品的規格尺寸、顏色、厚度、表 面處理等要求。
2、產品價格由鋁板原材料、規格、表面處理、結構復雜度等因素決定,以上報價僅供參考,具體詳情請聯系業 務經理獲悉。
3、我司產品報價均不含稅不含運費,如有要求請聯系業務經理商洽。
4、付款流程:因我司產品為工程定制產品,需預付30%定金后方可生產,生產完成后付清余款即可發貨。
5、因我司產品受市場原材料鋁價影響,具體成交價格依據合同簽訂當日鋁原料而定。

-------------------------------------------------------------
其他用戶還點擊了以下產品
![]() | ![]() | ![]() | ![]() |
| 木紋鋁單板 | 石紋鋁單板 | 雕花鋁單板 | 雙曲鋁單板 |
![]() | ![]() | ![]() | ![]() |
| 氟碳鋁蜂窩板 | 木紋鋁方通 | 木紋鋁格柵 | 瓦楞鋁板 |
咨詢:沖孔氟碳鋁單板